goods-
新闻资讯
当前位置是:首页 > 新闻资讯

氮气加热器

点击量:5次 | 发布时间:2026-03-26

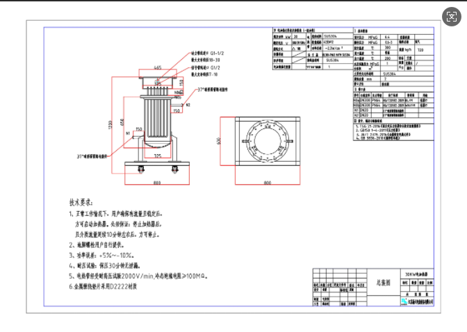
氮气加热器

1.数量:1套

2.安装地点:陕西省宝鸡市凤县165所凤州试验区。

3.设计参数:

  加热气体种类:氮气;

  设计压力:6.4Mpa;

  气体送气(出口)压力:0.6~3MPa(表压);

  气体流量:720 Nm3/h;

  气体出口温度:常温~200℃(保证前端产品用气点位温度~120℃可调);

  连续工作时间:>6h;

  工作功率:30KW(参考);

  供电电压:380V/50Hz。

4.技术要求

 4.1 整套装置采用集成化一体可移动式,尺寸(含撬装小推车)<800×600×1200mm(长×宽×高),结构布局合理、紧凑,便于安装、维修;配套小车撬装,轮子带锁紧固定装置。

 4.2 设备所有工艺接口采用法兰或球形接头连接件连接形式,法兰尺寸按Q/Zs2076-2077-2000《钢制管法兰》对焊松套法兰(PN6.4MPa)标准设计,工艺设备上的接管及法兰材料均采用06Cr19Ni10,设备端口法兰为凹槽;法兰接口提供配对法兰、肩圈、垫片(材料:铝,2套,1套备用)及螺栓螺母紧固件;球头连接件应符合院标《37°球面型管路连接件》(Y5781~Y57818-89)要求。

 4.3 加热器出口设置过滤器,精度≯5μm,严格气体出口多余物控制。

 4.4 加热器带控制柜、测温元件等,具备集成化温度调节、监控工作系统,温度等关键参数具备远传至试车台测控采集系统的功能。

 4.5 加热器工作噪声<90分贝。

 4.6控制面板上的阀门、压力表等控制元件应有明确标识,并附有系统原理图。

 4.7 氮气加热器工作过程应无油、无污染,可以连续起动、停止,不受限制,不影响正常工作。

 4.8 氮气加热器内各连接管(如测压管、进出气排放管等)均应采用不锈钢管道。

 4.9系统方案、原理图、设计图等需经过需求方确认后进行设计加工。


江苏扬天电热设备有限公司】——信息化 数字化 智能化——義飛扬天——防爆电加热器专业制造商——为新时代中国制造加油助力——全国尊贵热线:400-777-5525 


5其它要求

 5.1配套的控制柜须保护各接口和箱体,防止运输等作业损坏。

 5.2在加热器和控制柜的明显位置装上产品铭牌,铭牌的尺寸及技术要求应符合GB/T 13306的规定。标牌上应注明:

    a. 产品型号与名称;

    b. 产品主要技术参数;

    c. 产品制造厂家名称;

   d. 产品出厂编号;

   e. 产品出厂日期。

6 供货范围

 6.1 氮气加热器1套,成套供货,包括加热器主体、控制柜、测温元件(带校验证书)、温控仪表、小车撬装等,提供设备接口的配套法兰、接头、紧固件等;提供设备进出口管路保温包覆材料(按DN20、80m管路包覆计算)。

 6.2设计图纸、机械系统和配电系统原理图各一套,产品使用说明书、性能测试结果报告、有关检验质量证明资料各一套。

7 货物的质量保证期

 7.1设备安装完成、验收合格后起算质保期。质保期为一年,保证期内设备损坏修复后,被修复部分的质保期自修复之年内重复出现保修期间曾出现过的由于产品本身原因产生的故障仍属保质范围,对更换或维修过的零部件从更换或维修完成之日起,保证期顺延。

 7.2如设备发生故障,应在接到通知后24小时予以响应,72小时内到达现场,一周内排除故障。质保期结束后,卖方仍应以最优惠费率继续提供及时的有偿服务和必要的技术支持。

氮气加热器03

上一篇:没有了;
下一篇:管道加热器
电话
18936231333
二维码

扫码关注