扬天电热
江苏扬天电热设备有限公司是一家专业从事高性能工业用(防爆)电加热器及其控制系统研发、设计、制造和成套的国家高新技术企业。经过多年发展,扬天电热已成为以技术为核心的电加热解决方案提供商、国内首屈一指的防爆电加热器专业制造商。公司坐落在风景秀美的古城扬州市国家级经济开发区,注册资本金5000万元,占地面积约26666平米,建筑面积约18000平米,拥有科研、实验、生产等国际先进设备/仪器数百台套,实现了焊接等关键技术工艺的机器人自动化,形成了年产各类电加热器超......
关于我们 
01
专注产品
专注产品
集技术开发、销售、服务,于一体的综合性企业,一站式加热解决方案服务商
02
研发团队
研发团队
多名技术研发人员,全品类风管技术人员,依据您的工程给与产品定制服务
03
工程团队
工程团队
拥有多个工程团队,依据项目要求,满足进度、质量等同步需求
04
货源充足
货源充足
建筑面积8599㎡,拥有主要生产设备180台套,各种产品型号,一应俱全
扬天加热产品系列
专注电加热管,电加热圈,电加热板,管道电加热器,风道式电加热器等
总有一个理由让您选择我们
多年专注电加热管,电加热圈,电加热板,管道电加热器,风道式电加热器等
江苏扬天电热设备有限公司
客户案例共同见证
客户的认可是我们最大的动力
扬天资讯动态
多年专注电加热管,电加热圈,电加热板,管道电加热器,风道式电加热器等
防爆导热油炉
防爆导热油炉
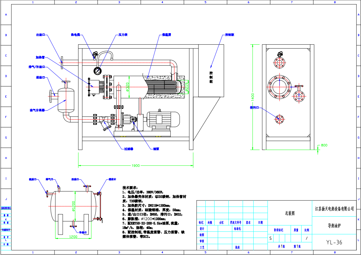
防爆导热油炉一、设备使用条件  工艺条件(如压力、温度、物料特性)、工作环境、公用工程条件。环境温度:-10—45℃;环境湿度:≤ 90%;三相五线制,整机功率约41.5KW;使用温度:≤300℃。按需方要求提供:设备出力参数(如泵的杨程、流量)、结构,使用《设备数据表》二、设备主要技术参数:  1.防爆等级:dⅡBT4;  2.电源电压:380/50;  3.电加热有机热载体锅炉外形:1900x600x1400;  4.电控柜尺寸:800×800×2200(两面开门,双侧布置元件),标准GGD柜,预留柜外连接;  5.电加热有机热载体锅炉额定加热功率:36KW,整机功率:41.5KW;  6.离心式热油泵:RY50-32-200,流量:18m3/h,扬程:40m,电机功率5.5KW(1台);电机为三级能效(执行标准GB18613-2020);  7.防护等级:dⅡBT4;  8.进出油口法兰:dn50;  9.筒体采用国标φ219无缝钢管,材质Q235B,壁厚6mm,加热管采用T20碳钢(壁厚不小于2mm)。接管选用带颈平焊法兰、凸面。压力等级PN25,垫片材质为金属石墨缠绕垫。【江苏扬天电热设备有限公司】——信息化 数字化 智能化——義飞扬天——防爆电加热器专业制造商——为新时代中国制造加油助力——全国尊贵热线:400-777-5525三、制造标准  1.设计寿命:   10   年。  2.卖方相关的:包括材料、制造、检验、质量控制标准四、电气要求  加热总功率为41.5KW,油泵功率为5.5KW;五、控制及保护  温度调节仪表自动控温,超温控制仪表提供报警输出,系统欠压、系统超压、系统超温等报警和流量异常,任何报警情况下均不能启动加热;油泵不启动情况下,不能启动加热;温控表带485通信,与DCS通讯。采用PLC控制,油泵启动/停止,加热启动/停止均可现场和DCS控制;每台设备设置电能监控表一块(品牌广州东琦电能表),带485通信;电气与仪表分开,控制系统应用PLC控制,并入DCS控制室,PLC预留profibus-DP通讯,PLC为西门子s7-200smart,仪表通过485与DCS通讯。六、检验试验  双方协调:设备进行打压试验,确认无泄漏;电气进行模拟运行检验。
查看详情 
熔盐电加热器
熔盐电加热器  该加热器主要由加热元件、温度传感器、折流板和其他必要的安装附件组成,均属投标方供货范围。1.总的要求(1)本技术规范书适用于火电机组调峰/调频/供汽的模块化熔盐储能装置开发与应用项目示范工程项目电加热器采购,包括电加热器的功能设计、结构、性能、检验和试验等方面的技术要求。(2)从签订合同之日至乙方开始制造之日期间内,甲方有权提出因规程、规范和标准发生变化而产生的一些补充修改要求,乙方应无条件遵守这些要求。(3)本技术规范书所使用的标准,如遇与乙方所执行的标准不一致时,按较高的标准执行。(4)乙方对熔盐电加热器(包括附件)负有全责,即包括分包(或采购)的产品。分包(或采购)的产品制造商应事先征得甲方的认可。(5) 本技术规范书经双方签字后,作为订货合同的附件,与合同正文具有同等法律效力(6) 乙方供货范围所有设备及附件均采用 KKS 编码。(7) 乙方应承诺合同签订后,及时配合甲方进行节能减排和设计优化相关工作,且不产生任何费用。(8)乙方所供电加热器的技术参数与性能必须满足甲方的要求,并对其正确性负责,实物与所提供的图纸相符。(9) 乙方应依照甲方提出的参数条件,设计满足要求的设备。电加热器的设计应该遵守设计工况的热平衡,并能在所有技术数据表中所列运行状况下(包括要求的最大运行条件)工作。(10) 电加热器的设计应该与本技术规范书提及的规范和标准的要求、本规范书的额外要求保持一致。(11) 电加热器需要在电厂完成相关检验和测试。(12) 电加热器承压部件的设计和建造应该符合 GB150 及 TSG21-2016《容规》的要求,电热管均须进行水压测试和无损检测。(13)应特别注意遵守 GB150 及 TSG21-2016《容规》中关于压力容器结构的有关条例。通过这些规范进行建造,包括但不限于设计、材料、制造、考核、检验、测试、认证、冲压和压力释放。(14) 电加热器及其容器采用立式布置,熔盐从下方进入,上方水平侧向流出。(15)加热丝的加热段和不加热段的分界点在上方熔盐流出管口下沿的延伸线。(16) 乙方需负责电加热器整体(包含壳体)的设计,电加热器壳体设计单位应具有类似设备的设计业绩,甲方将对设计单位的产品业绩进行审查和确认。乙方提供电加热器壳体的设计方案,电加热器壳体由甲方供货。(17)与电加热器连接的金属管道、接口规格应按国标以及本技术规范的要求严格的设计并经甲方确认。(18) 乙方应向甲方提供包括设计图样、制造及安装技术要求等设计文件。(19) 电加热器设计承受所有叠加静态荷载和动态荷载,以及风荷载、地震荷载、雪荷载。(20)乙方应对电加热器进行疲劳分析,并满足国标要求。(21)乙方应对电加热器所用材料进行高温蠕变影响分析,且分析方法应征得甲方同意。(22) 设备质量保证期内出现产品质量问题,乙方在接到甲方通知后 48 小时内到达现场免费修理或更换。2. 所有设备材料选择和锻件级别严格遵守工程图材料表中要求并按工程设计图纸要求进行检验(材料到厂复检)和验收,其化学成份,机械性能,尺寸厚度偏差,表面质量等要求应符合相应的标准规定,并应具有材料质量证明书。熔盐电加热器的整体设计、制造除应符合标准和国家有关的法规外,还应适用于本协议所提工艺要求,并能够长周期稳定运行(质保执行商务合同的要求)。 2.1 外部附件及与受压元件直接相焊的支撑件的材料应与受压元件材料一致,设备整体腐蚀裕量按 2mm/20 选取。 2.2 电加热管(1)电热管外壳材质不低于 S32168 无缝管,电热管外径不小于φ12.0mm,壁厚不低于 1.2mm。(2)发热电阻丝应按 GB1234 规定选用优质镍铬丝 Cr20Ni80,或更高性能材料。发热电阻丝采用上海宝钢、上海舒青等同等或更高优质品牌。(3)绝缘材料为高纯度结晶氧化镁粉纯度达到 99.5%以上或同等电气性能的绝缘材料,耐温能达 800℃以上,具有良好的绝缘性能和介电强度,绝缘材料乙方提供相应参数。绝缘材料采用大连达泰豪、丹东太华、上海振泰、松辽镁粉等同等或更高优质品牌。(4)正常运行发热效率:98%以上。(5)设备的电加热元件升温时间,应符合 JB/T2379-2016《金属管状物电热元件》的要求,并在出厂前进行试验。(6)设备的电加热元件应沿筒体的轴线方向均匀布置,在充分发热条件下,发热元件总的额定功率偏差范围为+4%,每组加热元件不允许负偏差。(7)设备的电加热元件的制造,应符合 JB/T2379-2016《金属管状物电热元件》的要求。(8)设备的电加热元件设备在出厂前,应参照 JB/T2379-2016《金属管状物电热元件》进行出厂试验和型式试验及规范要求其它试验。(9)设备工作模式为每天 2-10 小时间断满负荷运行,部分时间低负荷运行,要求电阻丝设计使用寿命应在 20 年以上,设备设计使用寿命 20 年,金属管设计使用寿命20年以上。(10)熔盐电加热器的金属管选用耐腐蚀的金属管,金属管表面瓦特密度数应介于2.0-2.5W/cm2,投标方根据招标方提供给的参数条件,提供相关计算书,保证电热管表面温度不超过 550℃,且金属管外表面无熔盐分解。发热电阻丝应按 GB1234 规定选用 Cr20Ni80 等高电阻电热合金丝,电加热元件表面最高温度不超过 550℃。(11)电加热器介质流速应控制在合理的范围内,受介质冲击的部位应装设不锈钢防冲击板或其它措施,以保护管束和其它内部零件。防冲击板、护罩设计应合理,不影响换热且牢固可靠。(12)乙方提供的设备必须满足甲方规范书中各种设备的各项性能参数要求,并对其正确性负责。实物与所提供的图纸相符。(13)乙方应负责整套设备的配套服务,包括备品备件供货、安装运行维护指导和性能保证。(14)所有电加热器应在任何以及所有非正常工况下均能正常运行。所有负荷下的性能应是平稳的,而且无过大的噪音、振动和变形。(15)乙方保证提供的所有电加热器壁厚能够满足设备安全运行的需要。(16)电加热器正式投产后可用率不低于 98%。乙方应在投标文件中提供本企业近年内生产的电加热器的可用率以及事故统计数据。(17)所有电加热器电热管和壳体的膨胀应协调一致,防止过大的热变形应力,乙方应详细说明电加热器膨胀处理方案。电加热器及其附属装置应能承受机组在各运行工况可能存在的同时作用的最严峻的受力组合。(18)乙方应在设备外形图中注明接口及基础的定位尺寸。电加热器的接口应有足够的刚度和强度。当设计院管道布置不能满足要求时,乙方与甲方共同协商解决。(19)乙方应该完成电加热器的安全审查,并描述减小人员风险的预防措施。安全审查应该评估在设备的运行寿命期间,由于故障、检查、维修等情况下可能增加的所有潜在危害(可能导致伤害的不安全行为或情况)的伤害风险(伤害的可能性和严重程度)。一旦风险不可接受,需要实施足够的危害控制措施使风险降低至可接受的范围。(20)设备上的所有警告标签应该清晰可见,并在图纸上注明。 2.3 不锈钢钢管的化学成份、机械性能、物理性能以及表面质量、轧制公差等应符合 GB/T14976-2002《流体输送用不锈钢无缝钢管》的有关要求。 2.4 熔盐电加热器内部电加热管连接采用镀银紫铜排,铜排连接方式应考虑温度变化引起的热应力。严禁采用电缆进行连接,加热器接线盒内部的温度(≤50℃)。 2.5焊接材料严格按设计图纸和有关标准规范要求执行,国产焊条订货还应满足JB/T4747 的要求。 2.6熔盐电加热器的加热部件能够整体抽出检修,由乙方提出加热器抽芯空间,甲方予以确认。 2.7接线箱最终接引端子和穿线孔满足4根3*70mm2交联聚乙烯电缆接入需求。热电偶接线采用单独的接线盒和接线端子,防止高压电干扰。加热管按功率平均分成2组,每组2根电缆并联。【江苏扬天电热设备有限公司】——信息化 数字化 智能化——義飞扬天——防爆电加热器专业制造商——为新时代中国制造加油助力——全国尊贵热线:400-777-5525 3. 材料及设备 3.1 材料代用  由于设计以外的原因造成的钢材代用,应事先向甲方提出书面申请,材料质量证明书,待甲方同意后方可代用。 3.2 材料要求制造单位应具有相应制造资质证书,保证提供高质量的设备,这些设备是成熟可靠、技术先进的产品。 3.2.1 主要受压元件材料设备制造所用的主要受压元件材料(板材、锻件、接管等)制造和检验等应遵循买方提供的装配图和本技术协议书相关条款的要求,必须满足以下要求:(1) 尺寸、外形和重量钢板尺寸和偏差应采用国际单位制(SI),尺寸单位以 mm 表示。钢板的尺寸、外形、重量按每台设备的技术要求中的规定。(2)卖方所使用的材料必须与买方所提供的图纸及技术文件完全一致。若卖方要求代材,必须提出代材的原因及书面报告,报买批准,并将代材的化学成份及机械性能提交买方,经买方的书面确认后方可代用。(3) 卖方应提供材料产地、炉批号、质量检验合格证书等有关文件。(4)主要受压元件材料质量证明文件及复验报告在投料加工前需提供给买方确认。 3.3焊材(1)焊接材料应符合下列标准:GB/T983、GB/T5117、GB/T5118、GB/T5293、GB/T12470、GB/T14957、JB/T4747、YB/T5092(2)焊接材料应有质量证明书。质量证明书应符合相应国家标准的规定和要求。 3.4螺栓、螺母(1)法兰的紧固件按 NB/T47020~47027-2012 中的规定。(2)管法兰的紧固件按 HG/T20634~20635-2009 中的规定。(3)外包厂家提供材料的质量证明文件,对于 M36 以上的主螺栓还应按相关标准规范提供材料的复验报告、合格证书。4.设备制造技术要求(1)设备的加工制造必须严格按照设备装配图图纸中的技术要求执行。(2) 设备开始制造前,卖方提交焊接工艺评定报告(符合 NB/T47014-2011)、检验及试验要求、检验及试验计划、制造、检验和试验工艺文件、热处理工艺等文件供买方审查。设备制造过程中的焊前预热、层间温度、层间表面裂纹检测、消氢处理、焊后热处理以及相应的 PT、UT、RT 及 MT 检验,由卖方自制工艺确定;所有焊接工艺规程均须按照审查后的焊接工艺评定进行。(3)铭牌座用于安装“产品铭牌”,其支架应高于保温层外 20mm,支架尺寸由卖方确定,铭牌材质为不锈钢,显示名称及相关参数。(4)焊缝检验要求按 NB/T47013-2015《承压设备无损检测》进行,设备的无损检测按最终详细设计图纸规定的要求执行。(5)不锈钢设备水压试验应控制水的氯离子含量不超过 25 毫克/升。水压试验合格后立即清除表面水渍。(6)设备组装和最终水压试验必须经买方现场监督检查和确认。5.其他相关内容(1) 应使用列入 GB150、JB4732 标准的材料,采用新材料或未列入 GB150、JB4732 标准的材料除应符合 TSGR0004 的规定外,还应经过甲方的批准才能使用。(2)不得采用铸件;(3)与受压元件相焊的临时连接件的材料应与母材金属相同或相近,并有相应的焊接工艺评定支持。(4)带肩管板应采用整体锻件,其锻件级别不得低于III级。(5)电加热器的材料和配件应该遵守相关国家标准,并遵守本规范书的要求。(6)所有用于制造所提供设备的材料、部件和组件应该是新的、新生产的、不存在影响性能的缺点。除非得到甲方或者其官方代表的书面授权,不允许使用有部分缺陷的材料。(7)所有材料应当由相关国家或者行业标准认定,并遵守相应的规范书。(8) 所用材料的可靠性应该具有材料测试报告证明或者承诺证书。(9)乙方应该负责在不同部件的建设中选择合适的材料。乙方应根据管材的要求,给出合适的推荐。(10) 应当采用适当措施以保证材料具有抗侵蚀和抗腐蚀性,乙方应提供防腐的完整说明,包括清洗和涂层工艺及所用涂料的特性说明。(11)设计温度高于 350℃时,与承压部件直接焊接的非承压件材质(包括裙座上端不小于 500mm 长)均应于承压件相匹配。(12)电热管不得拼接,不允许使用不锈钢焊接钢管用做电热管。(13) 开孔补强应符合 GB150.3 的规定。采用补强圈补强时,补强圈的厚度不宜大于壳体厚度。在液压试验时,补强圈上的螺孔不能被堵塞。6.主要参数要求 6.1 一般要求  本次采购的设备是电加热器,电加热器必须能承受冷态启动(停机超过 72 小时)20 次/年,温态启动(停机在 10 至 72 小时之间)50 次/年,乙方提供各种状态下每次启动的寿命消耗资料,其总的寿命消耗应不大于 70%。  设备工作模式为每天 2-10 小时间断满负荷运行,剩余时间低负荷运行。  投标方提供设备选型计算书、平衡计算及各工况分析数据。6.2性能要求(1)加热器工艺指标   最高加热温度:450℃。   熔盐分解温度:550℃(在流量突然降到20%工况下,不超温分解,流动无死区,出口温度不发生明显波动(设计温度±10℃),投标提供工况模拟分析计算书)。   最高工作压力:0.2MPa(熔盐)。   熔盐流量:5~25 m3/h。   加热功率:625kW。   额定电压:690V。   表面负荷:2.0-2.5W/cm2(投标方根据招标方提供条件核算最终值)。   设计寿命:20年。   加热元件:直径≥φ12.0mm,壁厚≥1.2mm,不允许接管。   压力损失:≤50KPa(投标提供计算书)。   总流量范围:最低流量20%。   疲劳工况:每天升温降温不少于2个循环(投标提供计算书)。   测温元件:每个电加热器配套4套k分度双支热电偶。   尺寸要求:熔盐电加热器壳体直径为DN450,熔盐电加热器总长度不超过5000mm,考虑熔盐流速降低时对热负荷系数的影响。
 2026-01-21
熔盐电加热器
熔盐电加热器一、主要技术参数及要求 1、电源控制柜总功率为 160kW,控制2台加热器,每台功率:80kW。 2、电加热器 (1)额定总功率:160kW,单台功率:80kW (2)额定电压:380V/50HZ,三相四线,“△”型接法 (3)设计压力:1.2MPa (4)工作压力:1.0MPa (5)设计温度:430°C ,温度最高650℃,防护等级IP66,冷冻设计:非加热区长度≥100mm(温度≤60℃),引线端密封,高温硅胶,压缩石棉复合密封(6)工作温度:给熔盐槽 40m3/常温加热到 380°C 在静止状态下(需要 40 个小时) (7)被加热介质:熔盐 (8)电热管与法兰连接方式:氩弧焊焊接;水压试验:1.6MPa/2h 无渗漏。 (9)电热管内压测试,耐压测试达到 2000V/min (10)绝缘电阻:热态大于 50MΩ,冷态大于 500 MΩ。 (11)表面处理:接线腔法兰喷高温漆(12)电加热管材质:304 外径φ12,壁厚大于 1.5mm (13)每台电加热器配置测温点一处,装 K 型热电偶一支,接线端子在加热器接线盒内。 (14)电加热管散热区采用自然冷却(详见图纸)。 (15)设计寿命:10 年 (16)数量:熔盐炉电加热器3 台 、电源控制柜1台。(17)尺寸:见附图,电加热器上的折流板,卖方参照买方的数据进行详细设计。 二、电仪部分配置说明:1、通用说明:(1)加热器及其接线盒满足,IP65、WF2户内式,所有电源接线盒正常操作温度不高于60℃。热电偶安装在加热管最热处以准确测量加热管的温度,接线盒内部空间要便于接线、检查和维护,电缆口要防水、防尘措施。(2)电加热器接线盒耐热性材料必须能长期承受电加热器工作产生的热量,端子之间以及端子与接地的金属外壳或相邻导电部件之间,必须满足标准规定的最小电气间隙和爬电距离的要求。(3)接线端子及其接线柱固定结构必须具有足够的机械强度,能够承受导线连接、频繁拆卸以及使用过程中可能遇到的振动、冲击,而不会发生松动、变形、损坏等现象。(4)电气绝缘性:绝缘部件(端子台、衬垫、隔板)必须具有优异的电绝缘性和长期稳定性。(5)电加热器接线盒内需引出2米长耐高温电缆作为引线,引接至接线盒外,引线端应提前压接好接线鼻,到货后应能直接与现场电源端电缆连接,接线盒内做好防高温措施和防护措施。(6)单台电加热器引线应具备带载能力100kW,比原80kW等级高一等级。(7)电加热器应有安全可靠的静电接地措施,并配置内、外专用接地螺栓,并均有明显的接地标志。三、控制柜技术说明:(1)控制柜安装方式采用落地式安装方式,控制柜采用强制通风式结构(冷空气从柜门下方排风扇吸入,热空气从柜顶上方排风扇排出,带滤网,可拆卸)。(2)控制柜进线方式为下进下出。(3)柜体底座采用镀锌板,厚度≥2.0mm;柜体框架采用镀锌板,厚度≥2.0mm;隔板、内侧板采用镀锌板,厚度≥2.0mm;面板、外侧板采用优质冷轧钢板,厚度≥2.0mm,静电喷涂,同时不因由于成套设备的吊装、运输等情况产生变形。(4)控制柜铭牌及标牌文字应美观、醒目、清晰。(5)控制柜内主母排和分支母排采用铜母排,不允许使用电缆连接,铜母排规格符合规范要求,母排禁止裸露,需采用热缩管进行热缩。【江苏扬天电热设备有限公司】——信息化 数字化 智能化——義飞扬天——防爆电加热器专业制造商——为新时代中国制造加油助力——全国尊贵热线:400-777-5525 四、电气柜主要包含:(1)断路器(2)可控硅(3)控制回路断路器(4)交流接触器(5)按钮和指示灯(6)多功能表(电流、电压表等)(7)冷却风扇(8)支路熔断器(9)控制柜温度开关(10)配电柜下方预留250mm高,电缆敷设区。五、电气参数:(1)工作电压:380V±5%AC;(2)工作频率:50Hz ±2%;(3)环境温度:-20°C~+40°C;(4)控制电压:220V±5%AC;(5)负载配置:三相三角型;(6)控制模式:可控硅控制;(7)电缆进线方式:380V加热器控制柜为电缆下进线、下出线;(8)其它:TN-C-S系统,铜主母排(加热缩套管),独立的接地铜母排。八、控制系统说明:1、该加热器由可控硅控制,出口温度可以稳定在设定范围之内,控温精度为±3℃。2、控制柜内应设置以下保护功能。(1)总开关短路保护、过载保护;(2)漏电保护;(3)分支回路短路保护;(4)可控硅过热保护。3、控制系统将自保持住回路漏电继电器跳闸状态,待回路故障排除,跳闸回路自保持状态取消后,加热器才可重新启动该分支回路。4、控制柜应有如下指示:(1)电源指示(2)多功能表(3)加热器运行指示(4)加热器停止指示(5)可控硅超温报警指示(6)综合故障(可控硅故障、柜内温度、漏电等)(7)接地漏电注:所有故障需自保持并显示功能5、控制柜有如下控制功能:(1)加热器启动(2)加热器停止(3)就地/远程转换(4)跳闸复位(5)接地复位注:最终的控制方式以图纸已买方、卖方协商结果为准。
 2026-01-19
电话
18936231333
二维码

扫码关注